QXF6型氣控限位閥
用途與特征:
QXF6型xing氣qi控kong限xian位wei閥fa是shi二er位wei三san通tong型xing的de氣qi動dong元yuan件jian,以yi壓ya縮suo空kong氣qi為wei工gong作zuo介jie質zhi,在zai各ge種zhong自zi卸xie車che的de控kong製zhi氣qi路lu中zhong它ta與yu舉ju升sheng閥fa的de控kong製zhi氣qi缸gang管guan路lu串chuan接jie在zai一yi起qi使shi用yong,是shi自zi卸xie車che舉ju升sheng至zhi極ji限xian位wei置zhi時shi起qi限xian位wei作zuo用yong控kong製zhi閥fa。
工作原理:
QXF型氣控限位閥的原始位置Pq口與Pa口是連通的(常開式結構,)。在連接示意圖(1)中搬動操縱氣閥的手柄換向至工作位置(Pq口與A口連通)jiangyasuokongqijingqikongxianweifajinrujushengfaqigangshijushengfahuanxiangshixianyeyagangshangsheng。dangchexiangjushengdaozuidazhuanjiaoweizhishi,xianweijigoujiangqikongxianweifadexianweiganyaxiaqieduanqijinqikou(Pq口與Pa口是斷開),Pa口與Tq口接通使舉升閥氣缸內的壓縮空氣由氣控限位閥排入大氣。這時舉升閥P口與T口瞬間連通,舉升缸即下降一段距離(車廂舉升轉角變小),隨車廂舉升轉角變小氣控限位閥的限位杆恢複原始狀態同時壓縮空氣經該閥再次進入舉升閥氣缸使舉升缸,上升(車廂再次舉升到最大轉角位置)。
在氣控限位閥的限位杆行程範圍內(即Pa口的閉合―開啟―閉合)實現車廂下降―舉升―下降往複變化過程,使車廂產生輕微抖動有利於將車廂內的殘留物體卸掉。在連接示意圖(2)中搬動操縱氣閥的手柄換向至工作位置(Pq口與A口連通)將壓縮空氣經氣控限位閥進入舉升閥的氣缸K1口實現液壓缸上升。當車廂舉升到最大轉角位置時,限位機構將氣控限位閥的限位杆壓下切斷其進氣口(Pq口與Pa口是斷開),Pa口與Tq口接通使舉升閥氣缸內的壓縮空氣由氣控限位閥排入大氣。這時舉升閥回到中位,P口經A口與T口連通回油,B口關閉車廂處於最高舉升位置狀態,該閥的工作原理示意圖如下。
技術參數:
1.工作壓力: 1 MPa
2.使用壓力: 0.4-0.8MPa
3.公稱通徑: 6 mm
產品型號:
|
|
|
 |
|
QXF6連接示意圖(2)
|
|
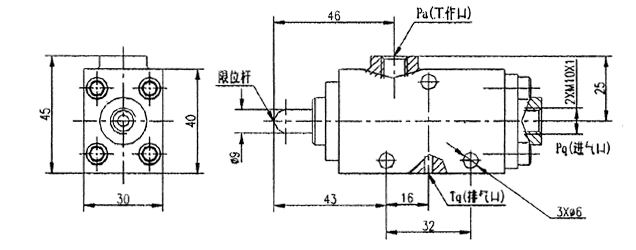
QXF6型氣控限位閥的外型及安裝圖: