?LQDF-L20型氣控多路閥
用途與特征:
QDF-L20型(xing)氣(qi)控(kong)多(duo)路(lu)閥(fa)是(shi)我(wo)公(gong)司(si)根(gen)據(ju)重(zhong)載(zai)自(zi)卸(xie)車(che)增(zeng)加(jia)加(jia)蓋(gai)功(gong)能(neng)後(hou)液(ye)壓(ya)係(xi)統(tong)的(de)需(xu)要(yao)而(er)研(yan)製(zhi)開(kai)發(fa)的(de)自(zi)卸(xie)車(che)專(zhuan)用(yong)產(chan)品(pin)。適(shi)用(yong)於(yu)重(zhong)載(zai)自(zi)卸(xie)車(che)控(kong)製(zhi)舉(ju)升(sheng)和(he)翻(fan)蓋(gai)係(xi)統(tong)。
該閥為片式結構,由氣控舉升閥、分流閥、氣控換向閥組成,結構緊湊,體積小,安裝連接方便。
工作原理及圖形符號:
舉升泵供油進入QDF-L20型氣控多路閥後,通過操作氣控操作閥不同位置,讓壓縮空氣分別進入該閥所帶氣缸,當推動舉升閥閥芯時,可實現車箱舉升、中停、下降等功能;當推動換向閥閥芯時,可實現車箱頂蓋開啟、閉合等功能。
在舉升過程中,舉升泵輸入的液壓油全流量進入舉升缸;在頂蓋開啟、關閉過程中,舉升泵輸入的液壓油經過分流閥後,分流出一部分(30L/min)進入頂蓋油缸,其餘的液壓油流回油箱。
該閥的工作原理示意圖如下:
|
|
|
|
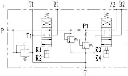
QDF-L20F-A圖形符號
|
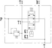
QDF-L20F圖形符號
|
|
|
|
|
QDF-L20F-A連接示意圖
|
QDF-L20F連接示意圖
|
型號說明:
|
|
 |
|
技術參數:
1.工作壓力: 20 Mpa
2.工作流量: 160 L/min (P口)
3.控製氣壓: 0.4~0.8 Mpa
4.分流流量: 30 L/min (P1口穩定流量)
5.分流壓力: 14 Mpa
6. 溫度範圍: -20℃ ~ +80℃
7. 粘度範圍: 10 ~ 400 mm2/S
8. 過慮精度: ≤10 μm
注: 油液最高汙染等級按GB/T14039之19/16執行
外形及安裝連接尺寸:
|
|
|
QDF–L20F-A型氣控多路閥外形及安裝圖
|
 |
|
4KQF型操縱氣閥與QDF–L20F-A型氣控多路閥應用連接圖
|
|
|
|
QDF–L20F型氣控多路閥外形及安裝圖
|
<回產品頁>