?L35SZH型組合閥
用途與特征:
35SZHxingzuhefashiwogongsiweizhongqingbeibenqicheyouxiangongsizhongzaiyueyechekaifashengchandeyizhongyeyafa,yongyubeitaijiadeshengjiangkongzhi。gaifashizaisanweisitongshoudongfadejichushangzengjialeguozaibaohuhedanxiangjieliudenggongneng,yekeyingyongyushoudongkongzhideyeyaxitongzhong。

工作原理及圖形符號:
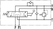
35SZH型組合閥用於備胎架液壓係統的升降控製時,P口與轉向助力泵出油口連接,P1口與轉向器進油口連接,A口接備胎架油缸小腔,B口接備胎架油缸大腔,T口接轉向係統油箱。通過操縱該閥手柄杆,控製油缸伸出或退回,實現對備胎架升降的控製。該閥的工作原理示意圖如下:
技術參數:
公稱通徑:Ф 10 mm
工作壓力:16 Mpa
額定流量:30 L / min
安全閥調定壓力:8 ~ 10 Mpa
備胎架組合閥連接示意圖:
該閥在中位時,P口到P1口接轉向器供汽車行駛轉向用。這時將換向閥操縱杆加以鎖緊裝置防止滑閥竄動,保證汽車安全行駛。當操作換向閥手柄在位置Ⅰ時P口到B口接油缸大腔,此時備胎機構下降,油缸小腔由A口到P1口利用轉向器中位的H型機能排油流回油箱。當操作換向閥在位置Ⅱ時P口到A口接油缸小腔,此時備胎機構舉升,油缸大腔由B口到T口排油流回油箱。
|
|
|
|
|
備胎下降(位置Ⅰ)
|
備胎定位(備胎閥中位接轉向器)
|
備胎舉升(位置Ⅱ)
|
外形安裝聯接尺寸:
|
|
1.A口接油缸小腔
2.B口接油缸大腔
3.換向閥在中位時P口到P1口,此時P1口接轉向器
4.P口、P1口、T口連接尺寸為M22×1.5
5.A口、B口連接尺寸為M18×1.5
|
<回產品頁>