CBL係列齒輪泵
用途與特征:
CBL係列齒輪泵屬於中高壓齒輪泵,是液壓係統中的液壓動力元件。它采用了高強度鑄鐵殼體、大直徑滾子軸承、浮動側板和二次密封等結構,具有壓力高、轉速範圍寬、排量規格多、能保持高的容積效率並可組成串聯泵等特點。廣泛適用於工程機械、礦山機械、起重運輸機械和農業機械等液壓係統中。
型號說明:
 |
| 注:串聯泵隻能同組相串 |
技術參數:
|
型 號
|
理論排量
(mL/r)
|
壓力(MPa)
|
轉速(r/min)
|
工作油液(m㎡/s) |
工作油溫(℃) |
工作油液過濾精度(μm) |
額定工況下容積效率(%) |
輸入功率
(KW)
|
重 量
(kg)
|
|
額定
|
最高
|
額定
|
最高
|
|
CBL4080
|
80.1
|
16
|
20
|
2000
|
2500
|
20~43液壓油 |
-20~80 |
≤25 |
≥90
|
47.5
|
32.9
|
|
CBL4100
|
100.5
|
59.6
|
33.9
|
|
CBL4125
|
125.9
|
74.1
|
34.9
|
|
CBL4140
|
139.9
|
82.9
|
35.9
|
|
CBL5140
|
140.2
|
83.1
|
53.7
|
|
CBL5160
|
161
|
95.4
|
55.9
|
|
CBL5180
|
180.1
|
106.7
|
58.0
|
|
CBL5200
|
200.9
|
119.1
|
60.0
|
|
注:1.油液最高汙染等級:按GB/T14039之20/17。
2.非額定工況下(壓力、轉速)的容積效率值參見P70-71工作性能曲線。 |
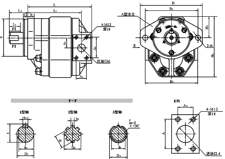
外形及安裝連接尺寸:
(1)CBL4、CBL5